工業爐窯大氣污染物排放標準
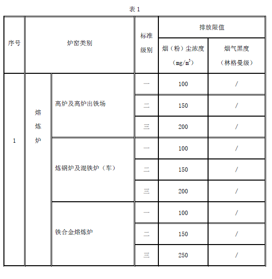
工業爐窯大氣污染物排放標準 GB 9078-1996 批準日期 1996-03-07 實施日期 1997-01-01 工業爐窯大氣污染物排放標準 Emission standard of air pollutants for...
11-20
工業爐窯大氣污染物排放標準 GB 9078-1996 批準日期 1996-03-07 實施日期 1997-01-01 工業爐窯大氣污染物排放標準 Emission standard of air pollutants for...
11-20
中華人民共和國國家標準 大氣污染物綜合排放標準 Integrated emission standard of air pollutants GB16297-1996 代替GB3548-83、GB4276-84、 GB4277...
11-20
鍋爐大氣污染物排放標準 前言 為貫徹《中華人民共和國環境保護法》、《中華人民共和國大氣污染防治法》、《國務院關于加強環境保護重點工作的意見》等法律、法規,保護...
11-20
1 適用范圍 本標準規定了火電廠大氣污染物排放濃度限值、監測和監控要求,以及標準的實施與監督等相關規定。 本標準適用于現有火電廠的大...
11-20惡臭污染物排放標準 (1993年7月19日國家環境保護局批準 1994年1月15日實施)...
11-20
關注官方微信號